Prilikom izbora pokretača za zaletanje više elektromotora sa jednim pokretačem potrebno je znati:
- Da je sukcesivno pokretanje više elektromotora moguće ukoliko to dozvoljava tehnološki proces
- Da li su elektromotori istog ili različitog tipa (istih ili različitih tehničkih karakteristika)
- Da li su elektromotori za istu ili različitu vrstu pogona (npr. ventilator, mlin, transportna traka …)
- Da se u odnosu na tip elektromotora i vrstu pogona pojavljuju sledeće mogućnosti
- Isti tipovi elektromotora za istu vrstu pogona
- Isti tipovi elektromotora za različitu vrstu pogona
- Različiti tipovi elektromotora za istu vrtu pogona
- Različiti tipovi elektromotora za različitu vrstu pogona
- Da ukupna energija pokretača treba da bude veća ili jednaka zbiru energija pokretanja svakog od elektromotora
Wamax. = Wu1 + Wu2 + … + Wun
- Da su komandno zaštitne funkcije pokretača aktivne tokom starta i zaletanja samo u odnosu na motorni pogon koji se zaleće.
- Da su start – stop funkcije nezavisne za svaki pogon pojedinačno
- Da se izbor redosleda pokretanja vrši slobodno (ili automatski ako to tehnologija propisuje)
- Ukoliko se više istih tipova elektromotora sa primenom u pogonima sa različitim težinama pokretanja (ventilator i mlin) zaleće jednim pokretačem momentna karakteristika zaletanja se postavlja za najmanji koeficijent težine pokretanja f=1 (ventilator, pumpa …)
- Da se granične vrednosti preklapanja pojedinih stepeni vrši u odnosu na pogon sa većom težinom pokretanja (npr. f=1,4 ili f=2)
- Da se dimenzionisanje pokretača vrši u odnosu na pogon sa većom težinom pokretanja f
- Da je vrednost otpora pokretača Ru u svim slučajevima identičan (U posebnim slučajevima je moguće menjati vrednost otpora Ru ukoliko se primeni sistem kraćenja otpora metodom 2n stepeni uz primenu PLC-a)
- Da je automatizacija više elektromotornih pogona sa sukcesivnim zaletanjem moguća kao i kod pojedinačnih

Vreme zaletanja tz, gde je Pn nominalna snaga motora [kW], dobija se iz empirijske formule za snage motora do 200 W:
tz=4+2(Pn)-2 [s]
Energija zaletanja W se dobija formulom:
W=0,5*Pn*f*tz [kJ]
gde je:
- f=0,7 – zaletanje neopterećene radne mašine (opterećene tek posle dostizanja radne brzine)
- f=1 – ventilatorski zalet (ventilatori, centrifugalne pumpe, turbo kompresori,…)
- f=1,4 – pun zalet (trakasti transporteri, klipne pumpe, fini mlinovi,…)
- f=2 – težak zalet (mlinovi, drobilice, mešalice,…)

- Z – predstavlja dozvoljeni broj uzastopnih zaletanja iz hladnog stanja, dok se ne postigne granična nadtemperatura
- h – predstavlja broj koliko puta na sat može da se izvrši zaletanja u jednakim vremenskim razmacima, a da se granična nadtemperatura ne pređe
- τ – temperatura
- Δτmax– dozvoljeni maksimalni prirast temperature
- τa – temperatura ambijenta
- t – vreme
- tz – vreme zaletanja jednog motora
- tp – vreme pauze izme|u dva zaletanja
- T – minimalno vreme ciklusa
z=Wamax/Wu
Wamax – maksimalna energija pokretača
Wu – energija jednog zaletanja
Primeri iz prakse
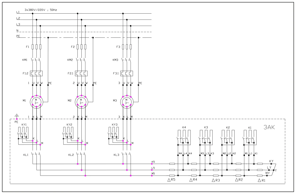
Da bi se što slikovitije predstavila problematika pokretanja više kliznoprstenastih motora sa jednim automatskim rotorskim pokretačem za slučaj kada se radi o različitim vrstama pogona sa različitim elektromotorima kroz dva primera su predstavljena dva karakteristična problema iz prakse.
Primer 1. Sukcesivno zaletanje tri elektromotora sa jednim pokretačem
Prva dva grafika predstavljaju momentne krive kod sukcesivnog zaletanja tri motora sa
jednim pokretačem u pet stepeni, dok poslednja dva prikazuju momentne krive za pojedinačno zaletanje motora u pet stepeni.

Graf 2: Drobilica za kamen f=1,4; 1 kom. P=110 kW; Ur=372 V; Ir=180 A
Graf 3: Drobilica za kamen f=1,4; P=75 kW; Ur=414 V; Ir=109 A
Graf 4: Drobilica za kamen f=1,4. P=110 kW; Ur=372 V; Ir=180 A | photo: OM SISTEM
Za razliku od pogona sa istim elektromotorima u ovom slučaju gde su različiti elektromotori potrebno je naći kompromis u izboru vrednosti ukupnog otpora Ru, kako bi se sva tri elektromotora pokretala sa istim maksimalnim momentima. Odabrani pokretač za sukcesivno zaletanje tri motora sa jednim pokretačem je 4AK02P/93-2×75+1×110-1,4. U slučaju pojedinačnog zaletanje motora izbor bi bio tri komada pokretača tipa 4AKb01P/30-…-…
Primer 2. Sukcesivno zaletanje četiri elektromotora sa jednim pokretačem
Grafici prikazuju momentne krive kod sukcesivnog zaletanja četiri elektromotora sa jednim pokretačem u šest stepeni.

Graf 6: Pogon duvaljke (f=1); P=30 kW; Ur=165 V; Ir=115 A
Graf 7: Pogon ciklona (f=1); P=37 kW; Ur=180 V; Ir=125 A
Graf 8: Pogon mesalice (f=1,4); P=45 kW; Ur=230 V; Ir=121 A | photo: OM SISTEM
Odabrani pokretač za sukcesivno zaletanje četiri motora sa jednim pokretačem je 4K02P/90-22+30+37+45-1/1,4. U slučaju pojedinačnog zaletanje motora izbor bi bio četiri komada pokretača tipa 4AKb01P/30-…-…
Tekst se prvi put na našem sajtu pojavio 30.6.2012. godine, a u rubrici Revive, zbog svoje trajne vrednosti, je ažuriran i ponovno objavljen 12.3.2026.
Više informacija: OM SISTEM d.o.o., Trogirska 41, 24413 Palić, Tel: +381 (0)24 554 672, Tel: +381 (0)24 410 54 84, e-mail: omsistem@eunet.rs, www.omsistem.co.rs








