Uređaj za zaštitu od prenapona (SPD) i njegovi priključni kablovi moraju biti zaštićeni od uticaja prekomerne struje, baš kao i svaki drugi deo električne opreme. U tu svrhu se tokom planiranja sistema predviđa odgovarajuće dimenzionisani uređaj za zaštitu od prekomerne struje.
U normalnom radu, SPD-ovi se ponašaju kao pasivne, neprovodljive komponente i instaliraju se paralelno sa uređajem/sistemom koji se štiti. Protok struje se javlja samo u slučaju prenapona ili na kraju životnog veka zaštitnih komponenti.
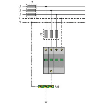
Da bi štitili, SPD-ovi su zaštićeni od kratkih spojeva ili preopterećenja pomoću elementa za zaštitu od prekomerne struje (F2 na šemi 1), koji je projektovan za odgovarajući tip instalacije i poprečni presek voda.
- Dodatni osigurač F2 je potreban ako je nominalna vrednost osigurača F1 na strani sistema veća od maksimalne snage osigurača, koju je naveo proizvođač SPD-a.
- Maksimalna snaga osigurača je opisana u tehničkom listu.
- Obratite pažnju na selektivnost: F2 / F1 = 1 : 1,6.

Zaštitni elementi moraju biti odabrani uzimajući u obzir nominalne struje koje je proizvođač SPD-ova naveo u uputstvu za instalaciju. Mora se osigurati da je osigurač grane (F2) zaista sposoban da izdrži struje groma. F2 ne sme biti poddimenzionisan kako SPD ne bi bio neefikasan u slučaju prenapona.
Ako je osigurač pogrešno izabran, rezervni (backup) osigurač bi ograničio kapacitet odvodnika. To bi dovelo do toga da se osigurač aktivira čak i pri malim udarnim strujama i sistem više ne bi bio pravilno zaštićen.
Osigurači i prekidači
Osigurači i prekidači su uređaji za zaštitu od prekomerne struje koji štite vodove i uređaje (kao što su SPD-ovi u našem slučaju) od preopterećenja i kratkih spojeva.
Nazivna struja označava amperažu za koju je osigurač ili prekidač projektovan. Karakteristika okidanja može se koristiti za određivanje vremenskog opsega u kome se zaštitni uređaj okida u slučaju prekoračenja nazivne struje.
Osigurači za zaštitu SPD-a
Topljivi elementi (obično poznati kao osigurači) se aktiviraju kada se topljiva žica ili traka zagreje pri proticanju prekomerne struje, a zatim i otopi. Ovo prekida kolo. Nakon pregorevanja, osigurači se moraju zameniti, jer su oni komponente za jednokratnu upotrebu.
Ponašanje NH osigurača sa impulsnom strujom groma (10/350 ms)
Prilikom dimenzionisanja osigurača, važno je koristiti maksimalni mogući rezervni (backup) osigurač. Grafik 1 jasno pokazuje da je izdržljivost struje groma malih osigurača ozbiljno ograničena. Samo njihovo dimenzionisanje prema maksimalnoj očekivanoj vrednosti nudi zaštitu sistema pomoću SPD-a bez ograničenja!

Automatski osigurač za zaštitu SPD-a
Automatski prekidači nude zaštitu od preopterećenja oslobađanjem termičke energije (bimetal) i zaštitu od kratkih spojeva putem elektromagnetnog okidanja.
- Termičko okidanje: Kada se aktivira prekomernom strujom, metal se zagreva i savija. Ovo mehanički razdvaja kontakt i prekida kolo.
- Elektromagnetno okidanje: U slučaju kratkog spoja, veoma velika struja nakratko protiče kroz kalem. Rezultujuće magnetno polje istiskuje gvozdeno armaturno jezgro iz kalema. Ovo mehanički prekida kontakt kola. Automatski prekidač se može ponovo koristiti i lako se resetuje nakon okidanja.
Ako se automatski osigurači koriste kao komponente za zaštitu od prekomerne struje, oni treba da budu u skladu sa IEC/EN 60947-2, DIN EN 60947-2 (VDE 0660-101). Nazivna granična prekidna moć kratkog spoja (Icu) i nazivna prekidna moć kratkog spoja (Icn) su navedene u IEC 60947-2 (VDE 0660-101). Vrednosti Icu (industrijski automatski osigurači) i Icn (prekidači za kućne instalacije) se izražavaju u kArms. Icu i Icn odgovaraju maksimalnoj struji kratkog spoja koju automatski osigurač može prekinuti bez oštećenja.
U normalnim radnim uslovima, struja kratkog spoja je mnogo manja od nazivne granične prekidne moći kratkog spoja (Icu) automatskog osigurača. Ipak, važno je da se velika struja kratkog spoja može pravilno prekinuti bez oštećenja funkcije automatskog osigurača.
Prilikom izbora uređaja za zaštitu od kratkog spoja, podaci kao što su nazivna prekidna moć i nazivna granična prekidna moć kratkog spoja navedeni su u tehničkom listu ili u onlajn konfiguratorima.

Maksimalno dozvoljena vremena isključenja za krajnja kola (tabela 1) definišu vreme isključenja koje prekidač mora biti u stanju da podnese primenjenu struju kratkog spoja (nekoliko milisekundi). Ovo osigurava da prekidači ne budu oštećeni udarom groma.
Ako se koriste prekidači, vrednosti (Icu) i (Icn) moraju biti dovoljno velike da podnesu struju groma/struju curenja (kao osigurači gG), tj. veće od Iimp!
Koje su druge opcije dostupne?
Dodatni osigurač F2 (slika 1) uvek zahteva dodatni prostor i može dovesti do dužih priključnih kablova (pravilo od 0,5 m – videti uputstva za instalaciju VARITECTOR-a). SPD sa integrisanim osiguračem može biti savršena alternativa. Time se obezbeđuje da integrisani osigurač može da podnese čak i struje groma od 25 kA po polu. Posebna prednost ovakvog rešenja je znatno manji zahtev za prostorom u poređenju sa konvencionalnim spoljnim osiguračem veličine 2. Istovremeno, optimizuje dužine priključnih kablova.
Zaključak
- Osigurači i prekidači su uređaji za zaštitu od prekomerne struje koji štite od preopterećenja i kratkih spojeva.
- Osigurači uvek imaju topljivi deo koji prekida vezu u slučaju preopterećenja. Osigurači su komponente za jednokratnu upotrebu.
- Prekidači štite od preopterećenja izazvanih prekomernom strujom ili kratkim spojevima. Mogu se koristiti više puta i ponovo se uključiti nakon isključenja.
- Osnovna preporuka je upotreba osigurača gG. On garantuje apsolutno bezbedno iskopčavanje uništavanjem osigurača, čak i ako je snaga previsoka. Ipak, upotreba automatskih prekidača je alternativa, uzimajući u obzir gore opisane parametre.
Kontakt:
Weidmüller Interface GmbH & Co. KG Beograd-Zvezdara
Ustanička 189, III sprat, lokal 7a, 11050 Beograd, Srbija
Phone/fax: +381 11 288 5274 Mobile: +381 69 100 1070
E-mail: Zoran.Rabrenovic@weidmueller.com








